555定时器
目录
什么是555定时器
555定时器是一种集成电路芯片,常被用于定时器、脉冲产生器和振荡电路。555可被作为电路中的延时器件、触发器或起振元件。

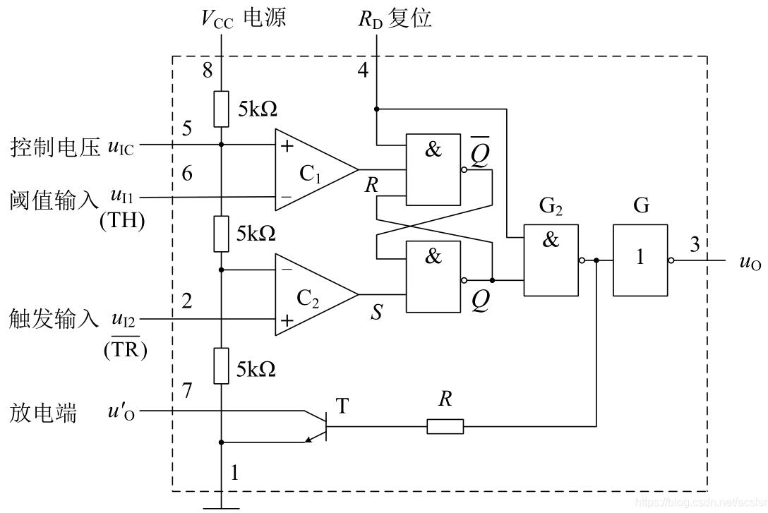
内部组成如下:由比较器C1C2、RS触发器、缓冲非门G、放电二极管T组成

芯片分析
电压比较器:一种模拟输入、数字输出的接口电路,输出特性如下:
| in | out |
|---|---|
| Vp > Vn | 1 |
| Vp < Vn | 0 |
在555定时器内部,左侧是纯电阻分压电路,将比较器阈值设置为
$$ V_{P1}=\frac{2}{3} V_{cc}, V_{N2}=\frac{1}{3} V_{cc} $$
C1C2的输出特性如下:
| C1 | C2 | ||
|---|---|---|---|
| in | out | in | out |
| Vp > 2/3Vcc | 0 | Vn > 1/3Vcc | 1 |
| Vp > 2/3Vcc | 1 | Vn < 1/3Vcc | 0 |
结合RS触发器的真值表可得555定时器的真值表如下:
| Ui1 | Ui2 | 复位Rd | Uo | 放电管T |
|---|---|---|---|---|
| x | x | 0 | 0 | 导通 |
| <2/3Vcc | <1/3Vcc | 1 | 1 | 截止 |
| >2/3Vcc | >1/3Vcc | 1 | 0 | 导通 |
| <2/3Vcc | >1/3Vcc | 1 | 不变 | 不变 |
典型应用
- 单稳态电路
- 多谐振荡器
- 施密特触发器
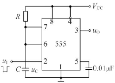
555定时器为核心的单稳态电路
理论分析
应用电路如下:

- 稳定状态时,管脚2输入信号为高电平,管脚6跨电容与地相连,相当于输入低电平,复位引脚4接高电平,故输出保持低电平不变,放电二极管保持导通不变。
- 当输入信号的下降沿到来,输出变为高电平,放电二极管截止,管脚7向外放电,电容C开始充电,直到$ u_C=\frac{2}{3} V_{cc}$ 若忽略晶体管的饱和压降,则充电时间为 $t_w=RCln \frac{\mathrm{Vcc}}{Vcc-\frac{2}{3} Vcc} =RCln 3 \approx 1.1 RC$
- 当输入信号回到高电平且电容充电完毕后,输出回到低电平,放电二极管截止。
仿真验证
使用Multisim仿真,电路如下:

选用回弹式开关使输入信号在电容充电完毕之前回到高电平,以便于从示波器图形上测得充电时间。
仿真结果:

电路行为与理论分析一致,根据理论分析公式
$\mathrm{t}_{\mathrm{w}}=1.1 \times 10 \mathrm{k} \times 4.7 \mathrm{u}=51.7 \mathrm{~ms} $,仿真测得充电时间为50.94ms,且充满后电压为2.985V,与理论分析相符的很好。
总结
该单稳态触发器的功能总结为:将低电平脉冲信号(持续时间小于1.1RC)转化为持续时间为1.1RC的高电平信号,持续时间大于1.1RC的话,就只是由低电平转化为高电平。
结束语
参考文献
555定时器及应用
电压比较器_百度百科
555定时器_百度百科
NE555P_立创商城
备注
仿真文件及数据手册:https://github.com/leeshy-tech/Electronic-Design/tree/main/555timer
Leeshy's Blog